新闻资讯
news
东莞市环仪仪器科技有限公司
电话:0769 83482055
传真:0769 83482056
移动电话:15322932685/宋小姐
地址:广东省东莞市东坑镇龙坑兴业路3号
常见问题
4桶voc释放量气候舱
4桶voc释放量气候舱用于检测塑胶、地板、家具、汽车内饰等材料中甲醛和挥发性有机化合物(VOC)释放量的试验设备。气候舱采用4个独立的气候箱,也可根据样品数量不同,设计2舱、6舱、8舱等工位。可同时对不同样品进行测试,提高检测效率,控制温度、湿度及换气率,符合ISO、GB、ASTM等标准。

技术参数:

系统组成:
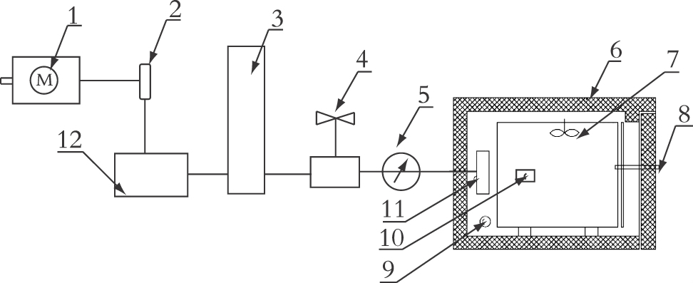
4桶voc释放量气候舱选用了由化学惰性材料制成的可用于测试建筑材料污染物释放量的密闭舱体, 其由密封舱、空气过滤器、空气温湿度调节控制及监控系统、流量调节控制装置、空气采样系统等部分组成,容积为60 L。结构示意图如下图所示。

1—空气泵;
2—精密空气过滤器;
3—湿度发生器;
4—流量控制阀;
5—气体流量计;
6—环境测试舱体;
7—循环风扇;
8—空气采样及排气系统;
9—控温装置;
10—温湿度记录仪;
11—气体分配阀;
12—VOC 过滤器
产品特点:
1.四个舱体可独立控制,在保证温湿度、风速、空气置换率精确的同时,实现批量或多样品对比测试。
2.完全满足国标中规定的本底浓度要求:23℃条件下,甲醛本底浓度≤0.006mg/m³,TVOC本底浓度≤0.02mg/m³,单体VOC本底浓度≤0.002mg/m³。

3.较低的能耗,充分利用制冷系统排气余热对恒温系统平衡调控,SCR无级性风量调节循环风速,实现较低的运行功率。响应国家节能环保的号召。
4.快速高效的脱附系统,节省脱附时间提高设备的使用效率。
5.更洁净的空气发生装置,使得本底浓度低于国标要求。
如有4桶voc释放量气候舱的选型疑问,可以咨询环仪仪器相关技术人员。
上一篇: 60L小型voc释放量气候箱在塑胶跑道原材料voc释放量的分析 下一篇: 4舱甲醛voc环境舱的测试步骤
最新文章显示

环仪仪器厂家提供完整的售后服务,每一台环仪设备都有机身编号,只需提供机身号就可获得高效的覆盖全国30多个省市的售后服务,环仪承诺环境测试舱2年质保,终身维修,服务网点及周边地区确保2小时快速响应。



